Temperaturregelung Klimaautomatik 207 macht Probleme

Die wohl interessanteste Kategorie. Ihr habt Probleme mit Eurem Peugeot? Die Werkstatt weiss mal wieder nicht weiter? Das Handbuch gibt auch nichts mehr her? Na dann, stellt Eure Frage hier rein.
Antworten
steffenrh
Serien-Wagen-Fahrer
Beiträge: 3
Registriert: Fr 07.01.22 00:36
Postleitzahl: 72135
Land: Deutschland

Temperaturregelung Klimaautomatik 207 macht Probleme

Beitrag von steffenrh » Fr 07.01.22 12:51

Hallo Miteinander,

ich suche eine Lösung für ein Problem mit der Zweizonen-Klimaautomatik des schon betagten 207ers Baujahr 2006 meiner Tochter.

Symptom: Auf der Fahrerseite kommt nur kalte Luft. Beifahrerseite lässt sich normal regeln.

Was ich schon untersucht habe:
Verkleidungen im Fussraum weg, die Stellmotoren Fahrerseite und Beifahrerseite ausgebaut.
- Mechanisch ist alles in Ordnung: Wenn der Motor läuft und ich die Klappen von Hand verstelle, kommt jeweils warme Luft. Also kein Klappenbruch oder ausgefranste Zahnräder.
- Auf der Beifahrerseite kann man am Stellmotor schön sehen, wie er zwischen "HI" und "LO" entsprechend dem Drehregler umstellt.
- Auf der Fahrerseite fährt der Stellmotor nur auf "LO" Stellung und bleibt dann dort. Ich habe allerdings auch schon gelegentlich gesehen, dass er auf "HI" fährt, danach aber sofort wieder auf "LO" zurückgeht und dort bleibt.
- Der Stellmotor ist aber nicht defekt. Wenn ich links<>rechts tausche, dann dreht sich der "Fahrermotor" auf der Beifahrerseite wie erwartet, während der "Beifahrermotor" nun auf der Fahrerseite in "LO" stehenbleibt.
- Ich habe alle Kabelverbindungen durchgemessen, die jeweils 5 Käbelchen vom Klimabedienteilstecker "blau" zum Valeo Stellmotor sind einwandfrei.
- Ich habe ein zweites Klimabedientteil (gebraucht). Mit diesem zeigen sich exakt die gleichen Symptome. Es sollte also auch das Bedienteil nicht defekt sein.
- Ich habe in die Zuleitung zum Stellmotor einen Breakout gebaut und dort zumindest mit einem Multimeter die Spannungen gemessen. Ja, ich weiss, das ist wahrscheinlich PWM und somit nicht sehr genau. Aber ich sehe auf der Beifahrerseite während des Verstellvorgangs auf 4 von 5 Leitungen jeweils ca. 10 V gegen Masse, solange der Servomotor läuft. Auf der Fahrerseite ist keine Spannung wenn der Stellmotor "laufen sollte", deshalb vermute ich, dass das Bedienteil gar keine Signale sendet in diesem Moment.
- Ich habe unten im Bereich des Wärmetauschers den Temperatursensor (langes Stäbchen) ausgebaut, mit Elektronikspray gereinigt und mit dem Messgerät getestet. Der Widerstand ändert sich durch anhauchen / runterkühlen plausibel. Die grauen Kabel vom Sensor zum Klimabedienteil sind ok, ich kann den Widerstand auch im blauen Stecker messen.

Normalerweise würde ich nun sagen: "Der Innenraumsensor Fahrerseite der Klimaautomatik ist defekt". Wenn der z.B. immer "zu warm" liefert, dann hat die Klimaautomatik einfach keine Lust, den Stellmotor nach "wärmer" einzustellen. Nur...
1. ...habe ich bei einer ersten Suche keinen solchen Sensor gefunden,
2. ...habe ich in den Foren schon gelesen, dass eventuell überhaupt kein Sensor für Fahrer/Beifahrerseite existiert, sondern die 207 Klimaautomatik die Innenraumtemperatur eher "errät".

Deshalb bin ich nun mit meinem Latein weitgehend am Ende und hätte folgende Fragen an die Bevölkerung: :)

1. Hat der 207 mit Klimaautomatik Innenraumsensoren für die Temperatur?
2. Falls ja, wo kann ich diese finden?
3. Falls nein, wie kommt die Klimaautomatik zur "Isttemperatur", und wie wird zwischen Fahrerseite und Beifahrerseite unterschieden?
4. Hat sonst noch jemand eine Idee, warum die Klimaatomatik keine Lust mehr haben könnte, den Stellmotor Fahrerseite in Richtung "HI" zu fahren?

Alternativ bleibt mir nur noch, den Stellmotor Fahrerseite wegzulassen und ein Handrad auf den Stellhebel zu kleben... :traurig: Im Winter ist es nämlich blöd, wenn man auf der Fahrerseite friert und dort die Scheibe kaum frei wird, nur weil die Elektronik nicht will.

cu, Steffen

Emma65
ADAC-Fan
Beiträge: 570
Registriert: Mi 08.07.20 17:22
Land: Deutschland

Re: Temperaturregelung Klimaautomatik 207 macht Probleme

Beitrag von Emma65 » Fr 07.01.22 17:04

1) Neue oder Gebrauchte Bedienteile müssen mit einem Diagnosegerät codiert werden !
2) Den Sensor den Du gefunden hast, ist ein Verdampfer Sensor. Hat also mit Deinem Proplem nichts zu tun.
3) Anhänge dürften Dir weiterhelfen.
Dateianhänge
3.png
2.png
1.png
Wer billig schraubt, schraubt 2 mal.

Emma65
ADAC-Fan
Beiträge: 570
Registriert: Mi 08.07.20 17:22
Land: Deutschland

Re: Temperaturregelung Klimaautomatik 207 macht Probleme

Beitrag von Emma65 » Fr 07.01.22 17:20

Nachtrag:
Dateianhänge
4.png
Wer billig schraubt, schraubt 2 mal.

steffenrh
Serien-Wagen-Fahrer
Beiträge: 3
Registriert: Fr 07.01.22 00:36
Postleitzahl: 72135
Land: Deutschland

Re: Temperaturregelung Klimaautomatik 207 macht Probleme

Beitrag von steffenrh » Fr 07.01.22 19:38

Hallo Emma65,

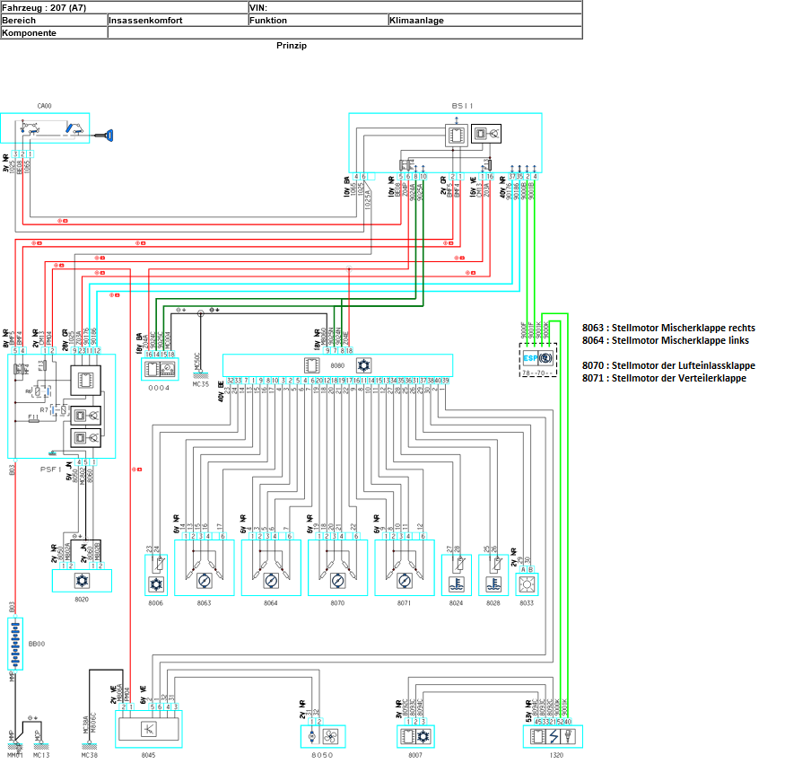
vielen Dank für die Schaubilder. Ich habe jetzt einen besseren Überblick über die Klimasteuerung. Im Netz habe ich noch ein altes Servicehandbuch eines 605 gefunden, und da Peugeot anscheinend die Nummern der Baugruppen möglichst beibehält, konnte ich mir noch ein paar weitere Einheiten herleiten.

Wenn ich das richtig verstanden habe zeigt das Schaubild mit dem Wiring Diagram auch, dass der 207 wohl tatsächlich keinen Innenraumfühler hat. Da die Stellmotoren Mischerklappe links + rechts soweit beide in Ordnung sind nach meinen Tests, erschliesst sich mir allerdings weiterhin nicht, welcher Eingangsparameter das Klimabedientteil nun davon abhalten könnte, dem am linken Kanal jeweils angeschlossenen Steppermotor Signale zur Drehung in Richtung "HI" zu schicken. Da es bei zwei Bedienteilen nicht funktioniert, muss ich momentan davon ausgehen, dass es mit irgendeinem Eingangswert zusammenhängt.

Ich versuche morgen mal mit Torque die Fehlercodes auszulesen, mal sehen ob da noch irgendwas dabei rauskommt...

cu, Steffen

steffenrh
Serien-Wagen-Fahrer
Beiträge: 3
Registriert: Fr 07.01.22 00:36
Postleitzahl: 72135
Land: Deutschland

Gelöst! Re: Temperaturregelung Klimaautomatik 207 macht Probleme

Beitrag von steffenrh » So 09.01.22 22:34

Ich hab's, glaube ich, gelöst! :D

Hab auf meinem Notebook Virtualbox + Win XP + PP2000 installiert (lag noch so rum...) und damit die Fehlermeldungen des Klimabedienteils ausgelesen. Es hat sich über den Stellmotor "Fahrer" beschwert. Fehler liess sich nicht löschen. Also nochmal ordentlich dran rumgewackelt. Fehler liess sich dann löschen, kam aber kurz darauf wieder. Leider ein endloses Spiel.

Ursache: Die Buchsen in der fünfpoligen Steckverbindung sind leider zu lose für die dünnen Stifte am Stellmotor. Das führt dazu, dass die Verbindung unter Wackelkontakt leidet. Und das Klimabedienteil registriert dies als Fehler, wenn es "wackelt" während der Stellmotor sich bewegen soll. Es setzt dann die Fehlermeldung und weigert sich, den Motor noch irgendwie anzusprechen. Deshalb hatte er manchmal kurz funktioniert, aber anschliessend nicht mehr. Sobald man mit dem PP2000 die Fehlermeldung gelöscht hat, ging es wieder (kurz).

Da der Steckverbinder (Buchsenseite) an einem recht kurzen Kabel zwischen Heizungskasten und Klimabedienteil hängt, sah ich keine Chance hier im Fussraum die fragilen Buchseneinsätze mit einer Zange enger zu biegen. Ich hab mir also aus dem Elektroniksammelsurium 5 Breadboard Jumperkabel Male-Female genommen, welche auf beiden Seiten wesentlich besser halten. Diese zwischen "Buchsenstecker" und Stellmotor dazwischengesteckt und das Ganze mit Isoband und Kabelbinder professionell verarztet... :floet:

Nach einer finalen Löschung mit PP2000 scheint die Klimaregelung nun wieder zu funktionieren. :lach: Morgen noch ein bisschen testfahren, aber ich denke mal der Fall ist gelöst.

Es scheint übrigens doch zwei Temperatursensoren im Heizungskasten für Fahrer- und Beifahrer-Heizluft zu geben. Aber innerhalb der Heizung, also keine Innenraummessung der Isttemperatur. Zumindest zeigt mir PP2000 das so an. Ich habe aber keine Ahnung, wo diese genau sitzen.

So, und noch ein kleiner Tipp: Man kann sich bei so etwas leicht die Stellung der assymetrischen Verzahnung des Stellmotors verspielen. Man kriegt diesen dann nicht mehr auf dem Heizungskasten in eine montagefähige Position. Dies ist möglich, weil der Stellmotor echt nur ein dummer Stepmotor mit Endlosgetriebe ist, welcher sich dann halt beliebig verdreht, wenn man in ausgebaut testet. Man kann aber dessen "Motorkuppel" aus Plastik mit einem kleinen Flachschraubendreher vorsichtig aufhebeln und dann abnehmen. Dann lässt sich das Getriebe auf eine passende Position drehen, anschliessend den Motor wieder draufsetzen (Feder nicht vergessen) und die Kuppel wieder zuklipsen. Aber auf keinen Fall auf der Getriebeseite öffnen, das liesse sich vermutlich nur als Uhrmacher wieder zusammenbekommen.

cu, Steffen :muede:

Benutzeravatar
obelix
Administrator
Beiträge: 19537
Registriert: Mi 21.03.01 00:00
Postleitzahl: 71640
Land: Deutschland
Wohnort: Ludwigsburg
Kontaktdaten:

Re: Gelöst! Re: Temperaturregelung Klimaautomatik 207 macht Probleme

Beitrag von obelix » So 09.01.22 23:22

:daumenhoch:
308SW, der aktuelle Alltagshobel: VF34H5FWC9S197117
Meine Oldtimer

Antworten