Re: Tutorial Umbau der IR-ZV auf Funk-ZV + teil 2 + teil3
Verfasst: Sa 22.09.12 21:36
Hallo !
Ich hab hier schon ein Paar mal gelesen das jemand Probleme hatte ne Zentralverrieglung umzubauen , da ich selber grade das problem hatte ,
dachte ich mir is mal ne prima Gelegenheit , vieleicht mal ein kleines Tutorial dazu zu schreiben .
Problem: Hab zwar ne ZV im Auto aber keine Fernbedienung mehr , d.h.ich kann lediglich mit dem Schlüssel die ZV bedienen ,
Auserdem vermisse ich die Blinkeransteuerung
, ich mags wenns schön blinkt, und den ganzen anderen schnick schnack , dens da gibt.
Aber auch der umstand das die Original ZV , ein IR(infrarot) fernbedienung ist , ist schon schlimm genug denn die sind nicht sehr Verlässlich.
Deshalb hab ich mir bei einem Weltweit berühmten Auktionshaus ne Universal-Fernbedienung bestellt.Die Bezeichnung der ZV ist JOM 7104-2/7104-4 ,
Die kostet in der Regel so um die 30 Euro und hat folgende Funktionen.
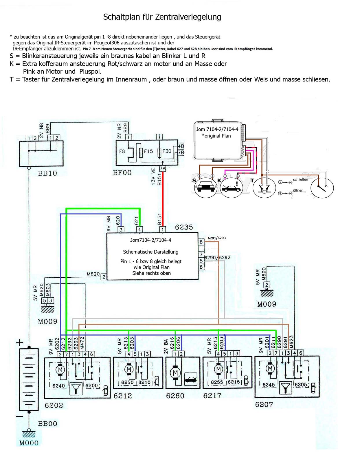
Zuerst Müssen wir mal nach dem Schaltplan der Beiden Zentralveriegelungen sehen .Ich hab da schon mal was vorbereitet
Grins

Ok , nun wissen wir wie es Verkabelt wird , nun suchen wir mal das Original Steuergerät im Peugeot 306
Ich hab einen Peugeot 306 XT 1.8L Schrägheck version Baujahr 94 , also Serie 1 oder auch Phase 1 genannnt.
Bei Serie 1 Model befindet sich das Steuergerät der ZV , auf der Beifahrerseite unter der Rückenlehne der Rückbank , kurz vom Kofferraum
und ist mit 2 Schrauben von Oben Verschraubt , Also Schrauben lösen und raus das ding ,Stecker abklemmen.

Ok.Soweit so Gut .
Den stecker knipsen wir jetzt an den Kabeln ab , Aber drauf achten das die Bezeichnungen auf den Kabeln noch zu lesen sind
sonst gibts eventl. Probleme beim Einbau der Neuen Steuereinheit.
alle Kabel werden auf 6 Listerklemmen geschraubt und zwar folgendermaßen
Die neue ZV steuereinheit richtet sich nun nach Farben, die wir auf die entsprechende Klemme Legen müssen also schneiden wir erstmal den stecker ab bei der neue ZV
den der stecker hat gleich den ganzen kabelbaum für die stellmotoren dran die brauchen wir ja nicht .
So Abschneiden das ihr beim Roten draht noch die Sicherung dran habt und die restlichen kabel so ca bei 25cm abschneiden.
dann werd ich das Tutorial hier erweitern
So nun testen wir mal ,mit der mitgelieferten fernbedienung , wenn alles richtig angeschlossen ist so sollte die ZV jetzt richtig funktionieren.
Wenn die Türen Öffnen wenn auf der Fernbedienung Schliesen gedrückt wurde , oder umgekehrt so ist klemme 5 und 6 gegeneinder zu Tauschen also weis auf 6 und braun auf 5.
Hier noch ein bild , wie es bei euch jetzt ungefähr aussehen sollte.

Jetzt Nur noch das Steuergerät mit allen Drähten einbauen und Fertig .
Blinkeransteuerung kommt noch hab ich heute nicht mehr hinbekommen werd ich dann morgen Nachtragen.
Die BA und der rest der ZV anzuklemmen Sollte ansich jetzt kein Problem mehr darstellen aber für alle Nicht so technisch versierte Leute oder für die welche es
Intressiert werd ich das tutorial noch erweitern , ausserdem ist noch ein Coming home /Leaving home Modul eingeplant sowie , der einbau des Stellmotors
für den Kofferraum zu öffnen (Nicht zu entriegeln ,das macht die ZV ja schon ).
So bis dahin
hoffe geholfen zu haben
Gruß
Chr2d2(Christian)
P.s:Rechtschreibefehler bitte zu entschuldigen , wer welche findet kann sie behalten.
Ich hab hier schon ein Paar mal gelesen das jemand Probleme hatte ne Zentralverrieglung umzubauen , da ich selber grade das problem hatte ,
dachte ich mir is mal ne prima Gelegenheit , vieleicht mal ein kleines Tutorial dazu zu schreiben .
Problem: Hab zwar ne ZV im Auto aber keine Fernbedienung mehr , d.h.ich kann lediglich mit dem Schlüssel die ZV bedienen ,
Auserdem vermisse ich die Blinkeransteuerung
Aber auch der umstand das die Original ZV , ein IR(infrarot) fernbedienung ist , ist schon schlimm genug denn die sind nicht sehr Verlässlich.
Deshalb hab ich mir bei einem Weltweit berühmten Auktionshaus ne Universal-Fernbedienung bestellt.Die Bezeichnung der ZV ist JOM 7104-2/7104-4 ,
Die kostet in der Regel so um die 30 Euro und hat folgende Funktionen.
- Zentralverriegelung der Türen 2/4 Türer
Blinkeransteuerung
Seperate Kofferraum entriegelung
Suchfunktion
Zuerst Müssen wir mal nach dem Schaltplan der Beiden Zentralveriegelungen sehen .Ich hab da schon mal was vorbereitet
Ok , nun wissen wir wie es Verkabelt wird , nun suchen wir mal das Original Steuergerät im Peugeot 306
Ich hab einen Peugeot 306 XT 1.8L Schrägheck version Baujahr 94 , also Serie 1 oder auch Phase 1 genannnt.
Bei Serie 1 Model befindet sich das Steuergerät der ZV , auf der Beifahrerseite unter der Rückenlehne der Rückbank , kurz vom Kofferraum
und ist mit 2 Schrauben von Oben Verschraubt , Also Schrauben lösen und raus das ding ,Stecker abklemmen.
Ok.Soweit so Gut .
Den stecker knipsen wir jetzt an den Kabeln ab , Aber drauf achten das die Bezeichnungen auf den Kabeln noch zu lesen sind
sonst gibts eventl. Probleme beim Einbau der Neuen Steuereinheit.
alle Kabel werden auf 6 Listerklemmen geschraubt und zwar folgendermaßen
- 1 Klemme Kabel B151 Rot(Dauerplus)
2 Klemme Kabel M620 oder Mxxx Steht für Masse und ist Grün/gelb
3 Klemme Kabel 621 Rot oder auch gelb
4 Klemme Kabel 620 Gelb oder Rot
5 Klemme Kabel 6290/6292 Einmal Weis und einmal Blau
6 Klemme Kabel 6291/6293 Einmal weis und einmal Blau
Die neue ZV steuereinheit richtet sich nun nach Farben, die wir auf die entsprechende Klemme Legen müssen also schneiden wir erstmal den stecker ab bei der neue ZV
den der stecker hat gleich den ganzen kabelbaum für die stellmotoren dran die brauchen wir ja nicht .
So Abschneiden das ihr beim Roten draht noch die Sicherung dran habt und die restlichen kabel so ca bei 25cm abschneiden.
- auf klemme eins kommt der Rote draht
auf klemme zwei der schwarze draht
auf klemme drei kommt der Grüne
auf klemme vier kommt der blaue
auf klemme fünf kommt weis (achtung nicht der weise für den taster nehmen)
auf klemme sechs der Braune (auch Hier den Braunen für den taster nicht verwechseln)
dann werd ich das Tutorial hier erweitern
So nun testen wir mal ,mit der mitgelieferten fernbedienung , wenn alles richtig angeschlossen ist so sollte die ZV jetzt richtig funktionieren.
Wenn die Türen Öffnen wenn auf der Fernbedienung Schliesen gedrückt wurde , oder umgekehrt so ist klemme 5 und 6 gegeneinder zu Tauschen also weis auf 6 und braun auf 5.
Hier noch ein bild , wie es bei euch jetzt ungefähr aussehen sollte.
Jetzt Nur noch das Steuergerät mit allen Drähten einbauen und Fertig .
Blinkeransteuerung kommt noch hab ich heute nicht mehr hinbekommen werd ich dann morgen Nachtragen.
Die BA und der rest der ZV anzuklemmen Sollte ansich jetzt kein Problem mehr darstellen aber für alle Nicht so technisch versierte Leute oder für die welche es
Intressiert werd ich das tutorial noch erweitern , ausserdem ist noch ein Coming home /Leaving home Modul eingeplant sowie , der einbau des Stellmotors
für den Kofferraum zu öffnen (Nicht zu entriegeln ,das macht die ZV ja schon ).
So bis dahin
hoffe geholfen zu haben
Gruß
Chr2d2(Christian)
P.s:Rechtschreibefehler bitte zu entschuldigen , wer welche findet kann sie behalten.