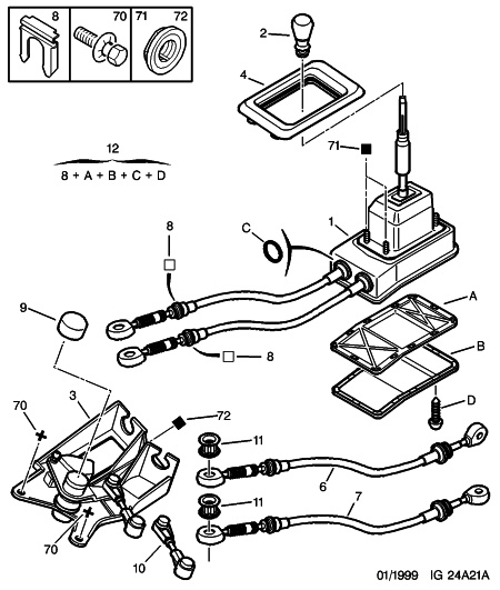
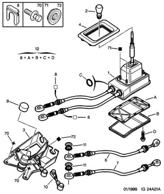
ich habe nach dem ich mit dem 407er meines kumpels gefahren bin festgestellt das meine schaltkulisse echt viel spiel aufweißt
so dann habe ich einfach meinen bruder gefragt ob der mal den schaltknauf bewegen kann und ich habe am getriebe geguckt ob da sich was bewegt, also da wegt der sich nichts.
daher ist meine frage ob das was brint wenn man die schaltkulisse und alle dazugehörigen umlenkpkt tauschen kann, dass es wieder schön fest ist???
vlt kann auch mal einer in der servicebox schauen, was das preislich ca kosten würde?
Fahrzeug-Identifizierungsnummer (FIN/VIN): VF38CRFNA81253362
vielen dank euer 306fan

