Peugeot boxer 2.0 hdi 2017

Die wohl interessanteste Kategorie. Ihr habt Probleme mit Eurem Peugeot? Die Werkstatt weiss mal wieder nicht weiter? Das Handbuch gibt auch nichts mehr her? Na dann, stellt Eure Frage hier rein.
SevoBoxer
Radarfallenwinker
Beiträge: 13
Registriert: So 07.03.21 02:58
Postleitzahl: 46240
Land: Deutschland

Peugeot boxer 2.0 hdi 2017

Beitrag von SevoBoxer » Di 16.03.21 20:36

Hallo freunde ich habe ein neues problem mit meinem boxer

Die temperatur meines boxers geht einfach nicht hoch sie springt mal komplett auf max und dann wieder runter und dann mal wieder nicht.

Ich habe jetz einen temperatur sensor gekauft und wollte den gern mal wechseln. Bevor ich anfange thermostat gehäuse und wasserpumpe zu wechseln könntet ihr mir villeicht sagen wo der sich befindet.

VF3YB2MFB12C79373

Rolf-CH
Politessen-Verehrer
Beiträge: 1336
Registriert: Mo 22.02.10 21:25
Land: Schweiz

Re: Peugeot boxer 2.0 hdi 2017

Beitrag von Rolf-CH » Di 16.03.21 20:53

Bist Du sicher, dass dieser gekaufte Sensor für Dein FZ passt?

SevoBoxer
Radarfallenwinker
Beiträge: 13
Registriert: So 07.03.21 02:58
Postleitzahl: 46240
Land: Deutschland

Re: Peugeot boxer 2.0 hdi 2017

Beitrag von SevoBoxer » Di 16.03.21 21:10

Also ich hab den mein problem erklärt und der meinte ich brauche den sensor und jetz suchen wir uberall aber nix zu finden

Peugeot408
Strafzettelsammler
Beiträge: 417
Registriert: So 26.01.20 19:58

Re: Peugeot boxer 2.0 hdi 2017

Beitrag von Peugeot408 » Di 16.03.21 21:35

Hab jetzt versucht über die Fahrzeug-Identifizierungsnummer (FIN/VIN) zu suchen, konnte aber nichts finden. Keine Daten über das Fahrzeug auf meiner Seite.

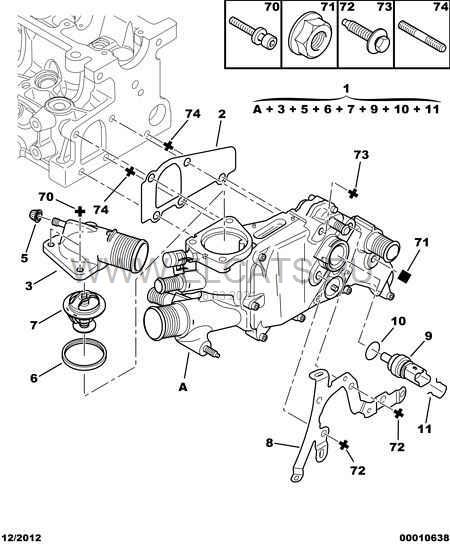
Hab jetzt manuell 2 Versionen gefunden wo er sitzen kann.

Findest du bei beidem am Thermostat.


Nummer 4 ist der Fühler hier
ImageHandler (14).jpeg


Nummer 9 ist er hier
ImageHandler (13).jpeg
Peugeot 408
1.6 Tu5jp4 /NFU

SevoBoxer
Radarfallenwinker
Beiträge: 13
Registriert: So 07.03.21 02:58
Postleitzahl: 46240
Land: Deutschland

Re: Peugeot boxer 2.0 hdi 2017

Beitrag von SevoBoxer » Di 16.03.21 21:54

Ich habe das thermostat mal verglichen aber ist leider ein ganz anderes. Wir sind jetz mal 30 min gefahren mit einer durchschnittlichen kühlmitteltemperatur von 24 grad mal abfallend mal leicht auf 26 grad steigend öltemperatur beträgt momentan 85 grad. Hmmmm

SevoBoxer
Radarfallenwinker
Beiträge: 13
Registriert: So 07.03.21 02:58
Postleitzahl: 46240
Land: Deutschland

Re: Peugeot boxer 2.0 hdi 2017

Beitrag von SevoBoxer » Di 16.03.21 21:59

https://www.ebay.de/itm/ORIGINAL-Citroe ... 890.l49292


So sieht bei mir das ganze aus aber von einem sensor keine spur 😁😁

Rolf-CH
Politessen-Verehrer
Beiträge: 1336
Registriert: Mo 22.02.10 21:25
Land: Schweiz

Re: Peugeot boxer 2.0 hdi 2017

Beitrag von Rolf-CH » Di 16.03.21 22:32

Der ist auch im Gehäuse integriert, darum meine erste Frage ob Du den richtigen Sensor hast.
Entlüftung nur mit Diagnosegerät möglich. Prozedur einhalten.
Falls dies nicht durchgeführt wird, kann Motor überhitzen, Motorschaden hervorrufen.

SevoBoxer
Radarfallenwinker
Beiträge: 13
Registriert: So 07.03.21 02:58
Postleitzahl: 46240
Land: Deutschland

Re: Peugeot boxer 2.0 hdi 2017

Beitrag von SevoBoxer » Di 16.03.21 22:47

Danke für die schnelle antwort♥️ Ich bin dir mehr als dankbar für diese aufklärung ♥️

Diagnosegerät ist vorhanden.

Dann ist es aber aufjedenfall der falsche sensor den ich habe

Ich weiß nicht ob sich der aufwand dann noch lohnt.

Ob ich nicht soch ein neues gehäuse kaufen soll

SevoBoxer
Radarfallenwinker
Beiträge: 13
Registriert: So 07.03.21 02:58
Postleitzahl: 46240
Land: Deutschland

Re: Peugeot boxer 2.0 hdi 2017

Beitrag von SevoBoxer » Di 16.03.21 22:52

Mit prozedur meintest du ?

Rolf-CH
Politessen-Verehrer
Beiträge: 1336
Registriert: Mo 22.02.10 21:25
Land: Schweiz

Re: Peugeot boxer 2.0 hdi 2017

Beitrag von Rolf-CH » Mi 17.03.21 20:50

Nach Methode Diagnosegerät Entlüftung einleiten.

Antworten