406 Coupé 1998 2.0 132PS hat Aussetzer, bin ratlos

Die wohl interessanteste Kategorie. Ihr habt Probleme mit Eurem Peugeot? Die Werkstatt weiss mal wieder nicht weiter? Das Handbuch gibt auch nichts mehr her? Na dann, stellt Eure Frage hier rein.
Emma65
ADAC-Fan
Beiträge: 571
Registriert: Mi 08.07.20 17:22
Land: Deutschland

Re: 406 Coupé 1998 2.0 132PS hat Aussetzer, bin ratlos

Beitrag von Emma65 » Fr 18.12.20 18:55

Das ist ja wirklich ein Proplemfahrzeug.
Motorlampe erlischt nicht, solange Motor nicht läuft. Wird den Gangwahlstufe P im Kombiinstrument angezeigt ?
Wenn ja, "mögliche Ursachen":
- Zündschloss schaltet Anlasser nicht
- Anschlasser selber, kommt Anlasser Plus am Anlasser an beim betätigen des Zündschlosses ?
- Anlassersicherung OK ?
Dateianhänge
3.png
2.png
1.png
Wer billig schraubt, schraubt 2 mal.

Benutzeravatar
406 D
Spätzünder
Beiträge: 1667
Registriert: Di 11.11.03 00:00
Postleitzahl: 26632
Land: Deutschland
Wohnort: ihlow

Re: 406 Coupé 1998 2.0 132PS hat Aussetzer, bin ratlos

Beitrag von 406 D » Fr 18.12.20 19:51

ich möchte auch wissen woran es liegt, habe doch den gleichen motor.

fang mal bei den batterieanschlüssen an, massekabel zum motor. das kabel ist ja durch die lagerung des motors ständig in bewegung, hier kann ein bruch vorliegen der äusserlich nicht zu sehen ist.
kabelbaum wie obelix sagt prüfen, anschlüsse ans motorsteuergerät.
er hat einen chrashschalter neben dem bremskraftverstärker, roter oder schwarzer gummiknopf. könnte auch einen wackler haben.

ich kenne mich nicht mit automatik aus, aber kann es an der schaltkulisse liegen?
die muß ja die zündung unterbrechen wenn eine fahrstufe eingelegt ist.

gibt sicherlich noch mehr zu prüfen... :gruebel:

andreas

Peugeot408
Strafzettelsammler
Beiträge: 417
Registriert: So 26.01.20 19:58

Re: 406 Coupé 1998 2.0 132PS hat Aussetzer, bin ratlos

Beitrag von Peugeot408 » Fr 18.12.20 21:42

--kann gelöscht werden--

War noch auf Seite 2.
Peugeot 408
1.6 Tu5jp4 /NFU

mellowyellow
ATU-Tuner
Beiträge: 67
Registriert: Sa 12.12.20 13:06
Postleitzahl: 82205
Land: Deutschland

Re: 406 Coupé 1998 2.0 132PS hat Aussetzer, bin ratlos

Beitrag von mellowyellow » Sa 19.12.20 11:51

Heut morgen ging er wieder als sei nix gewesen. Ich könnt die Kiste ...
Mein Auto hat keinen solchen Ziffernblock wie Teil 8200 auf dem unteren Bild, aber kann es sein, das trotzdem irgendeine Wegfahrsperre eingebaut ist, die ich versehentlich ausgelöst habe?
Ich hatte mal einen Seat, da passierte das manchmal, dass die Wegfahrsperre ansprach obwohl der korrekte Schlüssel steckte.
Das hat so genervt, bis eine Berliner Firma mir diese Funktion aus dem Steuergerät entfernt hat (rauscodiert). Wenn der Peugeot sowas hat, mach ich das auch raus.

mellowyellow
ATU-Tuner
Beiträge: 67
Registriert: Sa 12.12.20 13:06
Postleitzahl: 82205
Land: Deutschland

Re: 406 Coupé 1998 2.0 132PS hat Aussetzer, bin ratlos

Beitrag von mellowyellow » Sa 19.12.20 15:27

Fahrzeug hat wieder Aussetzer, das Doppelrelais wars also nicht.

mellowyellow
ATU-Tuner
Beiträge: 67
Registriert: Sa 12.12.20 13:06
Postleitzahl: 82205
Land: Deutschland

Re: 406 Coupé 1998 2.0 132PS hat Aussetzer, bin ratlos

Beitrag von mellowyellow » So 20.12.20 15:18

Heute leuchtete die Motorkontrolleuchte kurz auf und ging wieder aus, während der Fahrt (oder besser gehoppel..).
Daher vermutete ich einen Eintrag im Fehlerspeicher, und siehe da: 254 Drucksensor

Vermute damit ist der MAP-Sensor gemeint. Was denkt ihr?

Peugeot408
Strafzettelsammler
Beiträge: 417
Registriert: So 26.01.20 19:58

Re: 406 Coupé 1998 2.0 132PS hat Aussetzer, bin ratlos

Beitrag von Peugeot408 » So 20.12.20 17:53

Ja scheint so als ob es der Saugrohrdruck Sensor ist (MAP Sensor), ist schon mal ein gutes Zeichen.

Den als erstes tauschen, dannach weiter schauen.

Auch mal den Stecker überprüfen, beim meinem 307er hatte ein Kabel Wackelkontakt an der steck Verbindung.

Motor ging auch einfach aus, einen Stecker von einem peugeot Schrottplatz geholt und den verlötet.
Peugeot 408
1.6 Tu5jp4 /NFU

mellowyellow
ATU-Tuner
Beiträge: 67
Registriert: Sa 12.12.20 13:06
Postleitzahl: 82205
Land: Deutschland

Re: 406 Coupé 1998 2.0 132PS hat Aussetzer, bin ratlos

Beitrag von mellowyellow » So 20.12.20 22:20

Peugeot408 hat geschrieben:
So 20.12.20 17:53
Auch mal den Stecker überprüfen, beim meinem 307er hatte ein Kabel Wackelkontakt an der steck Verbindung.
Motor ging auch einfach aus
Das ist auch meine Vermutung. Immerhin bin ich 30 Jahre Ford gefahren, da kennt man solche Gemeinheiten auch.

mellowyellow
ATU-Tuner
Beiträge: 67
Registriert: Sa 12.12.20 13:06
Postleitzahl: 82205
Land: Deutschland

Re: 406 Coupé 1998 2.0 132PS hat Aussetzer, bin ratlos

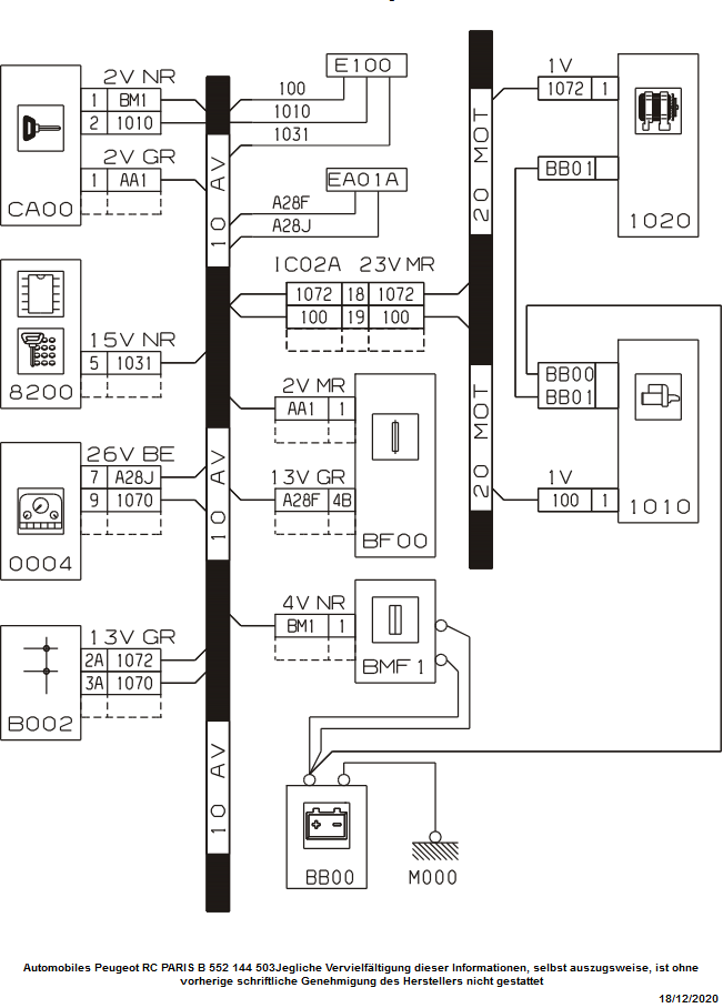
Beitrag von mellowyellow » Mo 21.12.20 09:10

[Bild

Was ist eigentlich Bauteil 5 oben mittig im Bild?

Benutzeravatar
*firemaster*~
Benzinpreisignorierer
Beiträge: 2547
Registriert: Mo 21.06.10 11:44
Postleitzahl: 51647
Land: Deutschland
Wohnort: GM

Re: 406 Coupé 1998 2.0 132PS hat Aussetzer, bin ratlos

Beitrag von *firemaster*~ » Mo 21.12.20 19:22

Hi,
die 5 und die 6 dürften beides Mapsensoren sein, je nach Baujahr warscheinlich. Entweder den alten als Vergleich nehmen oder nach der OrgaNr gehen.
Unbenannt.JPG
Map Sensoren alt und neu
:zwinker:

Antworten