306er Cabrio - Hydraulikleitung defekt

Die wohl interessanteste Kategorie. Ihr habt Probleme mit Eurem Peugeot? Die Werkstatt weiss mal wieder nicht weiter? Das Handbuch gibt auch nichts mehr her? Na dann, stellt Eure Frage hier rein.
Antworten
Steve0209
Radarfallenwinker
Beiträge: 24
Registriert: Mo 17.10.22 20:42
Land: Deutschland

306er Cabrio - Hydraulikleitung defekt

Beitrag von Steve0209 » Mi 10.07.24 20:07

Hallo zusammen,

beim heißgeliebten quietschgelben 306er Cabrio BJ2002 meiner Mutter hat sich der Schlauch vom Deckelzylinder verabschiedet, bzw. ist aus der Pressung geflogen. Jetzt riecht der ganze Verdeckkasten natürlich einwandfrei nach Hydrauliköl, lecker schmecker... Werde ich wohl die Filz-Auskleidung rausrupfen müssen und was neues reinmachen, die trieft vor stinkigem Öl. Jetzt bräuchte ich aber noch etwas Rat.

Folgende Fragen:
1) Ich habe im Forum gefunden, dass für's Nachfüllen der Pumpe wohl "Esso Univis J32" benötigt wird, der Beitrag ist aber aus 2008. Finde ich auch nicht zu kaufen. Alternativ wird dort genannt, man könnte HLP-Öl für's Nachfüllen nutzen, genannt wurde HLP 32. Passt das so, wenn ich die Pumpe einfach wieder mit HLP32 auffülle...? :gruebel: (viewtopic.php?t=87471)

2) An den Schläuchen löst sich überall die Beschichtung ab. Habe hier im Forum gefunden, dass das wohl aber nicht ganz so gravierend ist und man die trotzdem lassen kann, solange die helle Ummantelung noch in Ordnung ist. Jetzt stellt sich mir die Frage... besorge ich so einen Schlauch einzeln (wenn ich das richtig gesehen habe, kostet ein einzelner Stahlflex rund 80€), oder besorge ich einen ganzen Satz mit 8 Schläuchen (Stahlflex) aus UK für wohl rund 350€? Bei HEL (in DE) steht er als momentan nicht verfügbar drin, wäre aber auch kaum günstiger. Was meint ihr, reicht es wenn ich den einen Schlauch ersetze oder besser alle?

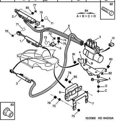
3) Ich habe vorhin "auf die Schnelle" im Verdeckkasten nur 3 Zylinder entdeckt, Deckel und Dach rechts/links. Aber irgendwo sitzt wohl noch ein vierter, das konnte ich im Forum jetzt leider nicht übersichtlich finden. (Das muss wohl dieser "Zylinder Heckfenster" sein?) Wo finde ich den vierten denn und welche Funktion erfüllt er? Deckel mit einem und Verdeck mit zweien erschließt sich mir, aber wozu ist der vierte gut?

Bin euch um Tipps dankbar!

Viele Grüße und schönen Abend euch
Steve

EDIT: Achja, und muss ich nach dem Auffüllen mit Öl irgendwo entlüften? Sollte ja vermutlich keine Luft im geschlossenen System drinstecken, denke ich?

Rike
Radarfallenwinker
Beiträge: 17
Registriert: Mi 21.11.18 22:04
Postleitzahl: 42277
Land: Deutschland

Re: 306er Cabrio - Hydraulikleitung defekt

Beitrag von Rike » Do 11.07.24 14:35

Hallo steve
es sind 4 Zylinder,
Einmal für den Verdeckdeckel, 1 links am Verdeck und 2 rechts am Verdeck
Screenshot 2024-07-11 142529.jpg
Ob man nur einen oder gleich alle Schläuche wechselt musst du für dich entscheiden. Darauf achten das es die richtigen sind, Baujahr abhängig gab es da Änderungen am Schlauchende zur Pumpe
Öl würde ich Zentralhydraulik Öl nehmen was auch Mercedes BMW für ihre Verdecke verwendet.
Gruß Rike
Wenn die Guten nichts tun, gehört die Welt den Bösen

mn4600
Benzinsparer
Beiträge: 303
Registriert: Mi 31.03.10 14:22
Postleitzahl: 21698
Land: Deutschland

Re: 306er Cabrio - Hydraulikleitung defekt

Beitrag von mn4600 » Fr 12.07.24 15:59

Moin,
HLP32 fahr ich auch, gibt's für kleines Geld im Landmaschinenladen.
Bei BJ 2002 wirst Du wahrscheinlich die letzte Pumpen Generation haben wo die Schläuche einzeln gesichert sind
Bei den beiden Generationen davor muss man die komplette Platte mit allen Schläuchen lösen um von hinten einen kleinen Sicherungsring am Schlauchnippel entfernen zu können. Hier sehen die Nippel fast gleich aus, sind sie aber nicht, deiner müsste komplett anders sein.
Ein geschlossenes System hast du nach dem geplatzten Schlauch ja nicht mehr, d.h. nach Schlauchwechsel und neuem Öl , das Verdeck ein paar Mal von Hand komplett auf und zu machen und zum Abschluss auch wieder den Deckel manuell verriegeln
Mfg
Pug 306 Cabrio, Bj 2001 1,6-98PS

Arno306
STVO-Fan
Beiträge: 6
Registriert: Di 24.10.23 08:44
Postleitzahl: 63069
Land: Deutschland

Re: 306er Cabrio - Hydraulikleitung defekt

Beitrag von Arno306 » Fr 09.08.24 19:33

Hallo Steve,

entferne die alten Schläuche und trenne die Verpressungen der pumpenseitigen Nippel vorsichtig auf (also die, die in die Hydraulikeinheit gesteckt sind und mit der Platte gesichert sind). Diese (Peugeot-spezifischen) Stecknippel pumpenseitig brauchst Du zum Wieder-Verpressen mit neuen Schläuchen! Geht am besten mit einem kleinen Schleifer/Dremel.
Zylinderseitig sind die Verschraubungen Normverschraubungen, die jeder Hydraulikbetrieb da hat.
Dann gehst Du zum Hydraulikonkel Deines Vertrauens und lässt Dir alle (!) Schläuche nach Muster neu machen. Ich habe das bei meinem 306er Cabrio so gemacht und habe nun gute Industriequalität verbaut, die sicher nie mehr Probleme macht...Finger weg von all diesen dubiosen Angeboten auf ebay, Kleinanzeigen etc., wo die Leute überteuert ihre alten (und bald sicher defekten) Schläuche verramschen wollen.
Hat mich übrigens keine 200€ gekostet, alle Schläuche zu erneuern. Durchmesser wie Original natürlich.

Viele Grüße
Arno

Arno306
STVO-Fan
Beiträge: 6
Registriert: Di 24.10.23 08:44
Postleitzahl: 63069
Land: Deutschland

Re: 306er Cabrio - Hydraulikleitung defekt

Beitrag von Arno306 » Fr 09.08.24 19:36

PS: Entlüften musste ich nach dem Wechsel nicht, das geht durch mehrmaliges betätigen der Pumpe von alleine.

Steve0209
Radarfallenwinker
Beiträge: 24
Registriert: Mo 17.10.22 20:42
Land: Deutschland

Re: 306er Cabrio - Hydraulikleitung defekt

Beitrag von Steve0209 » Sa 17.08.24 17:09

Hallo zusammen und vielen lieben Dank für eure Tipps.

Ich habe mich vor 5 Wochen dazu entschlossen, den einzelnen Schlauch neu zu bestellen bei HEL-Performance. Die Lieferzeit war sehr lang, heute kam der Schlauch endlich. Jetzt wollte ich das Ding einbauen und euch im Anschluss von guten Neuigkeiten berichten. Leider ist es schon wieder ein Satz mit X, warum kann nicht einfach irgendwas an den alten Autos mal reibungslos klappen. :(

Bei Hel-Performance kann man zwei Schlauchtypen auswählen, alte Pumpe oder neue Pumpe. Ich habe die neue Pumpe vor mir, bei der die Schläuche einzeln gesetzt sind. Jetzt ist das Problem, dass der neue Schlauch von HEL (wie kann es anders sein) halt nochmal anders aussieht, als der, den ich im Cabrio drin sitzen habe... Ich hänge mal ein Vergleichsbild an. Beim neuen Schlauch ist der Flansch vorne dran dicker.

Das blöde ist, dass mit der Schraube zwei Schläuche gesichert sind. Heißt, der neue Schlauch verhindert, dass die Schraube komplett reingeht. Der daneben sitzende alte Schlauch ist entsprechend auch nicht mehr auf Anschlag gesichert. Ich hab das Dilemma jetzt mal noch nicht mit neuem Öl befüllt, weil ich keine Lust auf eine Öl-Explosion habe, und wollte erstmal fragen, ob hier jemand noch eine gute Idee hat oder gleich erkennt, dass ich diesen oder jenen Schlauch bestellen sollte.

Es ist doch einfach nur ... ärgerlich.

Grüße
Steve

EDIT: Dass beim neuen Schlauch offensichtlich die Gummidichtung fehlt, darüber brauchen wir ja gar nicht sprechen ...
Dateianhänge
1723907100805.jpg
1723906550448.jpg

Benutzeravatar
obelix
Administrator
Beiträge: 19594
Registriert: Mi 21.03.01 00:00
Postleitzahl: 71640
Land: Deutschland
Wohnort: Ludwigsburg
Kontaktdaten:

Re: 306er Cabrio - Hydraulikleitung defekt

Beitrag von obelix » Sa 17.08.24 17:49

Ich würd da gar ned lang rummachen, einpacken und zurückschicken.
Vorher anrufen und Rücksendeetikett anfordern.

Und dran denken - das ist keine Rückgabe mit der 14-Tages-Frist.
Das ist ne Reklamation wegen Schrottlieferung:-)
Artikel passt nicht und ist unvollständig...

Gruss

Obelix
308SW, der aktuelle Alltagshobel: VF34H5FWC9S197117
Meine Oldtimer

mn4600
Benzinsparer
Beiträge: 303
Registriert: Mi 31.03.10 14:22
Postleitzahl: 21698
Land: Deutschland

Re: 306er Cabrio - Hydraulikleitung defekt

Beitrag von mn4600 » Sa 17.08.24 20:07

Moin, würde Obelix zustimmen. Die Frage wäre nur gibt es eine passende Alternative? Für gebrauchte Schläuche werden mittlerweile 90€ aufgerufen. Den 2.Schlauch der mit der Schraube gesichert wird auch ersetzen? Wieder 5 Wochen warten? Ich würde erstmal das untere Stück vom Nippel messen oben da wirklich beide gleich lang sind.
Wenn ja, entweder den alten Schlauch oberhalb des Befestigungsflansch auffüllen, evtl mit einem passenden Seegering od. Den Flansch vom neuen Schlauch mit einer Schlüsselfeile dünner feilen
Mfg
Pug 306 Cabrio, Bj 2001 1,6-98PS

Steve0209
Radarfallenwinker
Beiträge: 24
Registriert: Mo 17.10.22 20:42
Land: Deutschland

Re: 306er Cabrio - Hydraulikleitung defekt

Beitrag von Steve0209 » Sa 07.09.24 10:44

Danke für eure Antworten!

Ich habe mich seit meiner letzten Meldung bemüht, irgendeine (für mich) zufriedenstellende Lösung zu finden - leider war ich nicht erfolgreich.
HEL Performance hat sich absolut null mit Ruhm bekleckert seither. Auf meine Reklamation hin wollte man die genauen Maße des originalen Anschlusses/Fittings und die des neuen nebst Vergleichsbildern, um Zitat: "Ich sende die an unseren Kollegen nach England mal sehen was der sagt." Das war am 19. August, seitdem habe ich genau gar keine Reaktion mehr bekommen. Unter allen verfügbaren Telefonnummern geht nur eine Sprachbox ran und auf meine Mail wird nicht reagiert.
Schade, vor 2 oder 3 Jahren, als ich für mein eigenes Fahrzeug dort Stahlflexbremsleitungen bezogen hab, hat der Laden mit telefonischem Support noch was getaugt.

Ich hätte letzten Endes nach viel rumtelefonieren über einen Baumaschinenhändler an einen Hersteller von Hydraulikleitungen kommen können, der das sehr wahrscheinlich gemacht hätte. Aber das hätte auch nochmal 2-3 Wochen gebraucht und den Preis konnte man mir nicht richtig schätzen - "so 50-70€ werdens wohl sein". Und Mama wollte gerne endlich wieder offen fahren...

Hab es letzten Endes so gemacht, wie @mn4600 angeregt hat, und habe den Flansch des zweiten (alten) Schlauchs um etwas weniger als einen Milimeter unterfüttert, so dass die Schraube auf beide Anschlüsse greift. Ist dicht und funktioniert. Den Verdeckkasten haben wir noch vom alten, öligen Filz befreit und neu ausgekleidet. :lach:

Leider gibt es mit der Kupplung nun ein neues Problem ... dazu mache ich aber einen neuen Thread auf. :traurig:

Danke euch hier und Grüße!
Steve

Antworten