Service
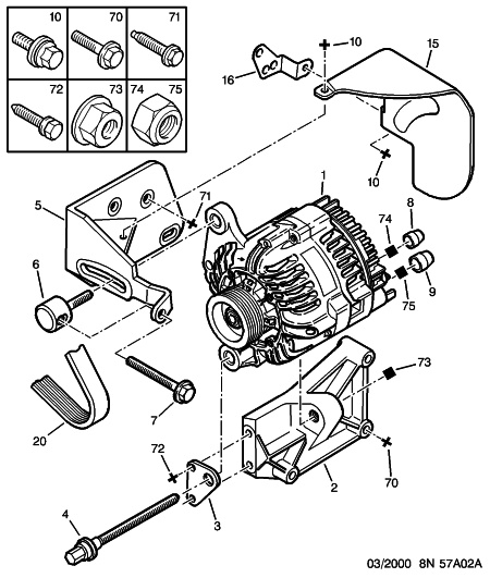
Ich fürchte, das wird nicht so einfach funktionieren. Im Vergleich zu z.B. einem Fahrraddynamo hat eine Lichtmaschine keine Permanentmagnete sondern das Magnetfeld wird durch einen Elektromagnet aufgebaut. Ohne Erregerspannung (über Ladekontrolllampe) gibts kein Magnetfeld und somit auch keine Stromerzeugung. Ausserdem brauchts eine Batterie zum Puffern, sonst kommt da bestenfalls nur irgendwas schwankendes raus, aber eben nichts sinnvoll messbares.Rostigernagel hat geschrieben:Ne ausgebaute messenich habs noch nicht gemacht, aber ich wurd die lima in nen Schraubstock spannen, ne sechskant nuss (war glaub SW13) und dann mit ner Bohrmaschiene ans werk gehen.
Nen Akkuschrauber kannste knicken der dreht meist nur 1250rpm:daumenrunter: die normalen bohrmaschienen meist um die 3000rpm----->ideal. Also +u.- an den multimeter dran und heidewitzga.
.......Aaaaaber so würde ichs machen---->ob Du das so machst ist Dir überlassen.